Um DMX Geräte mit dem Computer zu steuern, muss ein entsprechender Ausgang am Computer verfügbar sein. Da PCs in der Regel ohne eine solche Schnittstelle ausgeliefert werden, muss diese durch ein Interface hinzugefügt werden. Im Internet gibt es bereits einige solcher DMX-Interfaces. Hier ein kleiner Überblick:
Digital Enlightenment DMX Interface
OpenSource/Selbstbau, DMX-Ausgang, DMX-Eingang, Timingeinstellungen, USB 1.1 Anschluss
Kommerziell, DMX-Ausgang, (zum Teil DMX-Eingang), RS232- und USB-Anschluss
OpenSource/Selbstbau/Kommerziell, nur DMX-Ausgang, keine galvanische Trennung, USB-Anschluss
DigitalEnlightenment-Interface nun als FX5 als fertiges Gerät:
Das DigitalEnlightenment-Interface von http://www.digital-enlightenment.de gibt es nun auch als fertiges Gerät zu kaufen. Für 150,- € (exkl. Versand) kann man das Interface nun fertig aufgebaut in einem schicken Alugehäuse kaufen. Wem also Löten nicht liegt kann nun dennoch professionell Licht machen. Der offizielle Webshop ist hier zu finden: https://www.fx5.de. Vorteile des DE/FX5 Interfaces: superschnelle Aktualisierung aller 512 Kanäle bei gleichzeitigem DMX-Out und DMX-In – und es wird natürlich vom PC_DIMMER unterstützt.
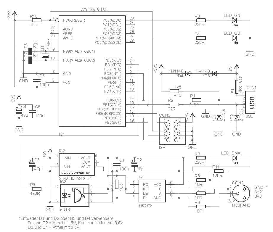
Dies sind nur einige der im Internet frei verfügbaren Interfaces. Auf dieser Seite soll beispielhaft das uDMX-Interface in einer veränderten Fassung vorgestellt werden. Es kann direkt an den USB Anschluss angeschlossen werden und besteht aus lediglich 4 ICs, welche zudem noch gut auf einer Lochrasterplatine zu verlöten sind. Ich habe die Unterstützung für Seriennummern aktiviert, sodass auch mehrere Interfaces an einem Computer zeitgleich betrieben werden können.
Das Interface besteht grob aus folgenden Bausteinen:

- Atmel ATmega8 Mikroprozessor (1,25 €)
- 6N137 Optokoppler (0,50 €)
- SN75176 DMX-Treiber (0,30 €)
- SIM2 0505S SIL7 DC/DC-Wandler (5,80 €)
Dies sind 7,85 € für die vier Bauteile. Dazu kommen noch ein paar Widerstände eine USB-Anschlussbuchse, oder ein USB Kabel einer alten Maus und schon ist ein DMX-Sender für den Computer Einsatzbereit.
Die Firmware stammt ursprünglich von dem OpenSource-Projekt uDMX, welches den USB-Quellcode von Objective Development verwendet. Sowohl die Firmware, wie auch die USB-Quelltexte stehen dabei unter der GNU/GPL als OpenSource und können im Downloadbereich heruntergeladen werden. Der DMX-Ausgangsteil wurde zum Teil dem Schaltplan des Digital-Enlightenment Interfaces entnommen, da er sehr zuverlässig funktioniert.
Die Einrichtung des Interfaces im PC_DIMMER ist zudem denkbar einfach:

Anders als das Originalinterface verfügt das PC_DIMMER DMX512 Interface über eine galvanische Trennung für bis zu 1000V zwischen DMX-Universe und Prozessorteil. Somit kann auch ein massiver Schaden auf Seiten der Scheinwerfer dem Computer und den daran arbeitenden Personen nichts anhaben.

Unterstützung von eigener Software:
Für diejenigen, die das Interface in eigener Software verwenden möchten, habe ich eine DLL geschrieben, die die komplette Kommunikation zwischen Computer und Interface regelt. Die DLL unterstützt bis zu 32 Interfaces und kann über einfache Funktionen angesteuert werden. Sie ist hier, bzw. im Downloadbereich zu finden.
Heinweise:
- Für den Betrieb des Interfaces ist ein Windows-Treiber erforderlich, der die Kommunikation zwischen Interface und Lichtsoftware übernimmt. Bitte laden Sie diesen entsprechend im Downloadbereich herunterladen (Windows 32bit und 64bit verfügbar). Hier der direkte Link: Treiber-Download
- Download der Firmware für den ATmega8 gibt es ebenfalls im Download-Bereich: Firmware für ATmega8
- Beim Flashen des ATmega8 muss der Prozessor auf externen Takt gesetzt werden, um die 12 MHz des angeschlossenen Quarzes nutzen zu können.
- USB liefert zwar +5Vdc auf den Versorgungsleitungen, jedoch sind die beiden Datenleitungen nur für maximal +3,3Vdc ausgelegt. Somit sind die Zener-Dioden oder der Betrieb der Schaltung bei 3,3V zwingend erforderlich!
Bekannte Probleme:
- Es kann vereinzelt vorkommen, dass der USB-Hostanschluss eines Computers das Timing der USB-Emulation des ATmega8 nicht genau erkennt. Windows meldet dann in der Regel „USB-Gerät wurde nicht erkannt„. In solchen Fällen genügt es, einen USB-Hub zwischen dem USB-Anschluss und dem DMX-Interface anzuschließen
Änderungen und Weiterentwicklungen:

mar3kus aus dem DMXControl-Forum hat folgende Änderungen und ein Design für ein PCB veröffentlicht:
